Products
Cams
Universal
Lamina
Select Format
3D XML
3MF
Acis 6.3
Alibre Design
AMF
Animated GIF
AutoCAD (DWG) - 2D
AutoCAD (DWG) - 3D
AutoCAD MEP
BMP
BricsCAD (DWG) - 2D
BricsCAD (DWG) - 3D
CATIA V4
CATIA V5
COLLADA
Creo
DesignSpark Mechanical
DraftSight
DXF - 2D
DXF - 3D
EMF
Fusion
GIF
GstarCAD
HOOPS
IGES
Inventor
Inventor LT
IRONCAD
JPG
JT
KeyCreator
KOMPAS-3D (>=V15)
Mechanical Desktop
NX (*.x_t)
OBJ
OFF
Panda3D
Parasolid 11.1
PDF
PDF 3D
PLY
PNG
PRC
Pro/Engineer Neutral
Revit
SketchUp
Solid Edge
SOLIDWORKS
SpaceClaim
STEP AP203
STEP AP214
STEP AP242
STL
T-FLEX
TENADO CAD 3D
Three.js
TIF
TopSolid (< v 7.0)
TopSolid (v 7.8)
TurboCAD
Universal 3D
VDA-FS
VRML
VTK
VX CAD/CAM
WMF
ZW3D
Format Not Available
Brand
Lamina
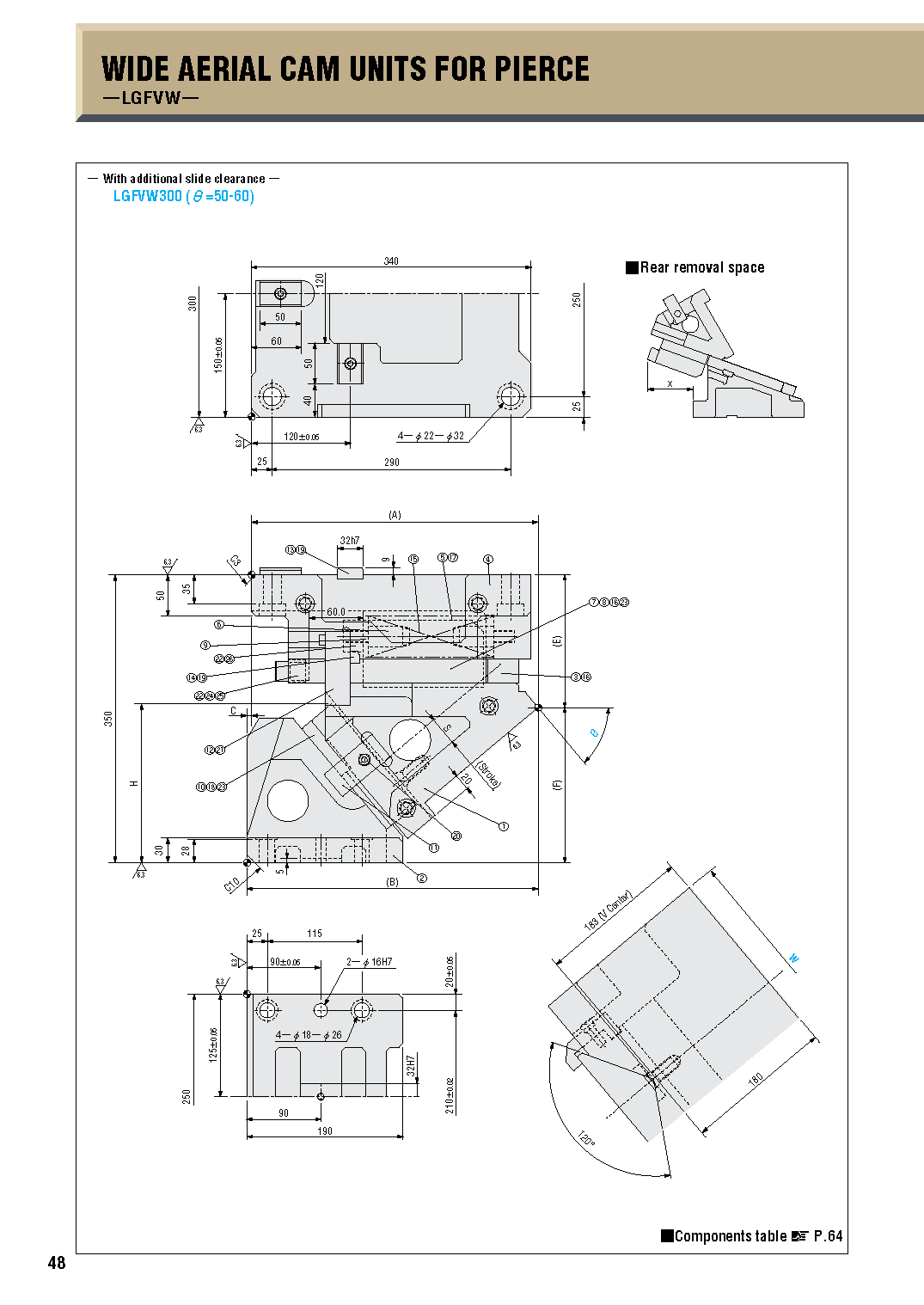
Face Height (mm)
183
Face Width (mm)
300
Stroke (mm)
120
Type
Aerial
Angle
60
Weight (lbs)
0.0001
Brand:
Lamina
Face Height (mm):
183
Face Width (mm):
300
Stroke (mm):
120
Type:
Aerial
Angle:
60
Weight (lbs):
0.0001
You might also be interested in the following products
Adding...
Removing
Processing...
{{productContent.processedProductsCount}} of {{productContent.model.matrixProducts.length}}